硬密(mi)封蝶閥 當前位置(zhi): 法蘭閘閥廠家> 産(chan)品中心> 硬密封蝶(dié)閥> 電動調節蝶閥(fa)
![]() |

産品詳情
電動(dong)調節蝶閥性能
DN(mm) | ||||
公稱壓力(li) | PN(MPa) | 1.0 | 1.6 | 2.5 |
試驗壓力 | 強度試(shì)驗 | 2.4 | 3.75 | |
密封試驗 | 1.1 | 1.76 | 2.75 | |
氣密(mì)封試驗 | 0.6 | 0.6 | 0.6 | |
适用介質(zhi) | 水、蒸汽、油品、酸類(lei)腐蝕性及粉塵顆(ke)粒物等; | |||
-40℃~600℃ | ||||
驅動形式 | 手柄、渦(wo)輪、電動、氣動、液動(dong) | |||
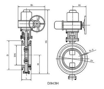
電動調節蝶閥結(jié)構圖例

電動調節蝶閥(fá)主要尺寸參數
L | D1 | n-d(mm) | H1 | |||||
PN1.6 | ||||||||
50 | 108 | 165 | 125 | 4-18 | 120 | 8 | ||
65 | 112 | 185 | 4-18 | 104 | 140 | 11.5 | ||
80 | 200 | 160 | 8-18 | 8-18 | 107 | 150 | 12.5 | |
100 | 127 | 220 | 180 | 8-18 | 135 | 165 | ||
125 | 140 | 250 | 210 | 8-18 | 8-18 | 129 | 40.5 | |
150 | 140 | 285 | 8-22 | 8-22 | 131 | 205 | 46.5 | |
152 | 340 | 295 | 8-22 | 12-16 | 177 | 2550 | 61 | |
250 | 165 | 395 | 350 | 12-16 | 12-16 | 270 | ||
300 | 178 | 445 | 400 | 12-16 | 12-16 | 220 | 320 | 103 |
350 | 505 | 460 | 16-22 | 16-26 | 264 | 358 | 120 | |
400 | 565 | 515 | 16-26 | 16-30 | 298 | 400 | 217 | |
450 | 615 | 16-26 | 327 | 420 | 242 | |||
229 | 671 | 620 | 20-26 | 480 | 279 | |||
600 | 267 | 725 | 20-30 | 560 | 396 | |||
700 | 292 | 895 | 840 | 596 | ||||
上一(yī)條:電動法蘭式多層(ceng)次硬密封蝶閥
下(xià)一條:電(diàn)動蝶閥
相關新聞(wen)
·
·
·•